Файлы
Доставка и оплата
Доставка осуществляется в любую точку России. Для консультации по способу, стоимости и срокам доставки, пожалуйста, свяжитесь с нами: +7 (812) 448-65-13 или 1@gidrokomponenti.ru
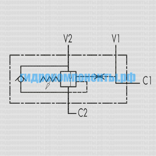
VBCD 3/8" SE/A FLV (V0392/FLV) Односторонний тормозной (контрбалансный, уравновешивающий) клапан гидравлический (гидроклапан) с корпусом (сталь), 3/8" BSP, 40 л/мин, 350 бар, 4,5:1, монтаж на банджо-болт, диапазон регулировки 100-350 бар (Oleodinamica Marchesini, Италия). Тормозной клапан (клапан торможения) используется для обеспечения плавности работы гидродвигателей (например, гидроцилиндра или гидромотора), а также выполняет функцию гидрозамка. Уравновешивающий клапан V0392/FLV помогает избавиться от рывков и колебаний при действии попутных нагрузок, вектор движения которых совпадает с направлением движения гидроцилиндра или гидромотора. Купить подпорно-тормозные клапаны Oleodinamica Marchesini можно в нашем магазине гидравлики в Санкт-Петербурге. Доставка гидравлических комплектующих Oleodinamica Marchesini осуществляется транспортными компаниями по всей России.
Характеристики
| Макс. рабочее давление: | 350 бар |
| Пропускная способность: | 40 л/мин |
| Диапазон регулировки: | 100-350 бар |
| Резьба: | 3/8" BSP |
| Тип монтажа: | Монтаж на банджо-болт |
| Материал корпуса: | Сталь |
| Пилотное соотношение: | 4,5:1 |
| Тип тормозного клапана: | Односторонний (4 порта) |
| Масса: | 1,4 кг |
| Производитель: | Oleodinamica Marchesini (Италия) |



